DFW戶外高低壓電纜分授箱
特點:
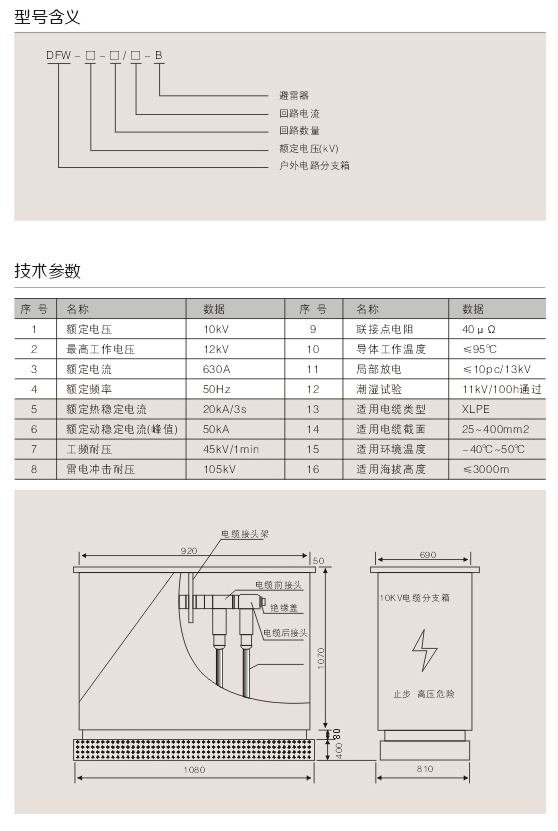
DFW戶外高低壓電纜分授箱系戶外設計、全密封結構,柜體防護等級達IP33,電纜接頭支架采用不銹鋼材料,外殼采用2mm優良不銹鋼制造。箱體內部由電纜倉頂板分隔成母線室和電纜倉兩部分。母線室是由2mm鋼板圍成的密封室。電纜接頭支架位于母線室的上部,用來支撐套管,套管則用來固定電纜接頭,電纜接頭的相間距離為180mm。如果是帶避雷器型,避雷器安裝的電纜接頭的尾…
詳情介紹
高低壓電纜分授箱的功能及特點.
1、全絕緣、全密封結構,可保證人身安全;
2、戶外型、防塵、防潮、抗洪水、耐腐蝕、環境適應性強;
3、組合靈活,進出線從二路到六路,滿足多種接線要求;
4、體積小、結構緊湊、外形美觀大方、安裝簡單、免維護;
5、具帶電顯示器;
6、可帶短路指示器;
7、可帶避雷器。



DFW戶外高低壓電纜分授箱相關信息
看了又看